1. SRAM이란 무엇인가?
SRAM은 Static Random Access Memory의 줄임말로, 말 그대로 정적인(Static) RAM입니다. 즉, 데이터를 저장하는 동안 별도의 리프레시(refresh)가 필요하지 않습니다. 이는 DRAM(Dynamic RAM)과의 가장 큰 차이점이죠.
SRAM은 일반적으로 다음과 같은 특징을 가집니다:
| 항목 | SRAM | DRAM |
| 저장 방식 | ![]() 플립플롭(Flip-Flop) |
![]() 커패시터(Capacitor) |
| 리프레시 필요 여부 | ❌ 필요 없음 | ✅ 주기적 리프레시 필요 |
| 속도 | 매우 빠름 | 느림 |
| 집적도 | 낮음 ➡️ 6T 구조이기에 1셀 크기가 큼 |
높음 ➡️ 1T1c 구조이기에 1셀 크기가 작음 |
| 전력 소모 | 높음 | 낮음 |
| 주요 용도 | 캐시, 레지스터 ➡️ DRAM보다 빠르고 용량 작음 |
메인 메모리 |
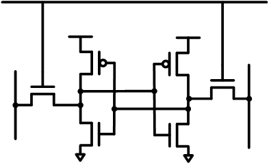
2. SRAM의 기본 구조
Static인 이유?
DRAM과 다르게 데이터가 진득하게 저장될 수 있는 비밀은 바로 Inverter 두개가 연결된 Latch 구조입니다.

0V를 넣으면 VDD 전압으로 바꿔주고, 반대로 VDD 전압이 인가되면 0V로 신호를 바꿔주는 Inverter를 서로 연결하여 한쪽은 0V, 한쪽은 VDD로 계속 순환되며 데이터를 저장할 수 있습니다.

그리고 이를 앞서 언급한 DRAM과 비교하면, DRAM은 한번 저장하면 끝이어서 Leakage나 noise의 영향을 받으면 서서히전압이 변하지만, Latch구조는 노이즈나 누설전류가 있어도 서로다른 인버터에 의해 전압이 다시 복구가 됩니다.

그리고 Inverter 하나는 2개의 transistor(PMOS + NMOS = CMOS)로 구현할 수 있고,
latch 구조를 응용한것이 SRAM 기본구조이기에 latch(4T) + bit line 연결용 pass gate transistor 2T = 6T구조로 완성이 됩니다.
3.SRAM의 동작 - Read "0"
초기상태 : Node1에 data "0" / Node2에 data "1"이 저장되어 있는 상태
노드 데이터에 의해 1 -> Pmos인 PU1과 0 -> Nmos인 PD2는 OFF상태

- Bit Line1과 Bit Line2를 Vdd로 PreCharge
- Word Line을 Vdd로 상승시켜 Pass Gate Transistor(PG1,PG2)를 Turn On 시킨다.
- BL1의 전압에 의해 PG1 ~ PD1으로 전류가 흐르며 BL1의 전압이 감소한다.
이때 전류의 흐름에 따라 Node1의 전압이 상승해 Read Fail 발생할 수 있다.(B ratio 조정 필요 - 뒤에 설명) - Word line을 off 한 뒤 BL1과 BL2의 전압 차를 Sense Amp로 측정한다.
Beta Ratio란?

우측 그림의 WL / BL / Node의 Voltage 그래프를 보면,
WL으로 인해 Pass Gate가 켜지고 BL1의 전류가 흐를때,
PG1의 전류가 PD1의 전류보다 더 잘 흐르면 Node에 전압이 더 높아질 수 있습니다.
즉, PG1보다 PD1의 전류가 더 잘흘러야 Node1에 부하를 줄여 Read Fail을 줄일수 있습니다!
그러기 위해선 PD1의 저항이 PG2보다 작아야 하고, 통상적으로 2배정도 되어야 한다. 이를 Beta Ratio라고 합니다.
4.SRAM의 동작 - Write "1"
초기상태 : (Read 0과 동일)Node1에 data "0" / Node2에 data "1"이 저장되어 있는 상태
노드 데이터에 의해 1 -> Pmos인 PU1과 0 -> Nmos인 PD2는 OFF상태
여기서 이제 노드1을 1로, 노드2를 0으로 바꿔야 한다.

- Bit Line들을 쓰고자 하는 데이터로 세팅한다.
- WL=VDD를 주어 각 Pass Gate를 On한다.
- Node1은 0이 유지되도록 디자인 되어 있고, Node2를 보면 BL2=0이기에 PU2에서 PG2로 전류가 흐르며 Node2의 전압이 1보다 낮아지기 시작한다.
- Node2 전압이 낮아지면, PU1이 On되고 Node1 전압이 올라간다. 이에 따라 PU2도 Off되며 Node2 데이터도 0으로 감소한다.

3번 과정에서도, Node 2 전압이 낮아지기 위해선 PU2에서 흐르는 전류보다 PG2에서 흐르는 전류가 더 많아야 전압이 더 잘 감소하겠죠?
앞의 Beta Ratio 와 비슷한 개념으로 Gamma Ratio가 있으니 똑같이 흐름을 따라가며 이해하면 될 것입니다.
공부하며 작성을 한 내용이니 혹시 틀린내용 지적이나 추가 질문 언제나 환영입니다.

'반도체 공부 > 반도체 제품' 카테고리의 다른 글
| GAAFET의 한계를 넘는 기술들, Forksheet과 BSPDN (0) | 2026.03.11 |
|---|---|
| GAAFET 공정 순서 (GAAFET Fabrication Process) (5) | 2025.08.03 |
| 모바일 AP 제품(Application Processor, SOC, IP) (0) | 2025.04.02 |
| [PRAM] PRAM의 동작원리 (0) | 2024.11.26 |
| [MRAM] MRAM 동작 원리 (0) | 2024.11.17 |

